Outlets IP67
surface mounted & installation in devices
with 1 RJ45 module MS-C6A
1 Data outlet IP67
2 Coupling socket IP67
Product variants & stock
Download
| Article No. | Stock | Product | Colour | Weight [kg] | Packing unit | GTIN / EAN |
|---|---|---|---|---|---|---|
| 309155 | Data outlet IP67 with 1x RJ45 module MS-C6A | light grey | 0.07 kg | 1 pc. | 40393910192186 | |
| 309156 | Coupling socket IP67 with 1x RJ45 module MS-C6A | light grey | 0.07 kg | 1 pc. | 40393910426380 | |
| 309157 | Mounting flange IP67 with 1x RJ45 module MS-C6A | light grey | 0.05 kg | 1 pc. | 40393910192162 |
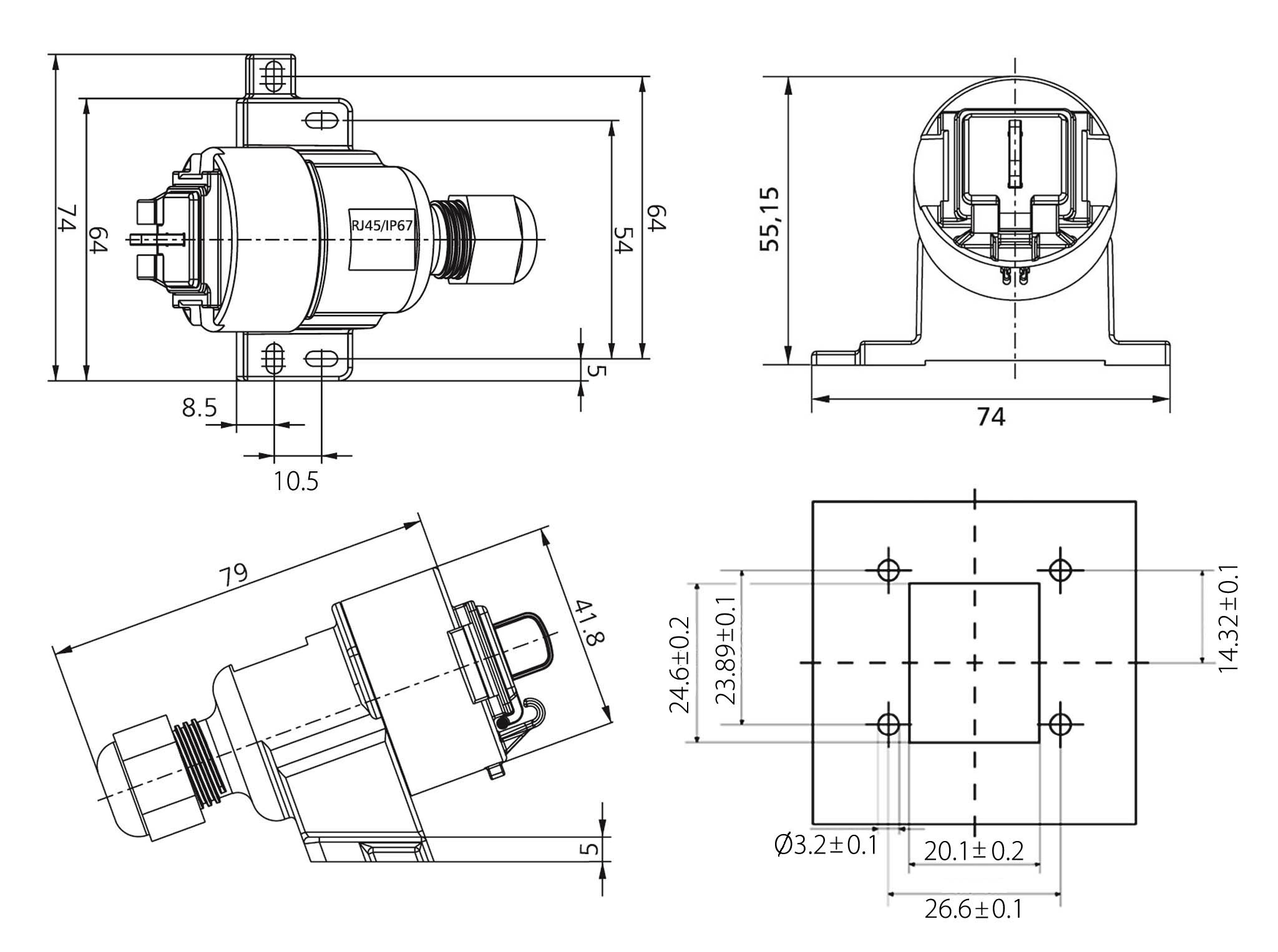
Technical specifications
Data outlets IP67 with 1 RJ45 module MS-C6A 1/8 Cat.6A (shielded) for the transmission of Ethernet protocols in harsh industrial environments in which contaminations my occur:
1. Surface-mount data outlet IP67 with 1 module MS-C6A 1/8 shielded
2. Coupling socket IP67 with 1 module MS-C6A 1/8 shielded
3. Mounting flange IP67 with 1 module MS-C6A 1/8 shielded - for installation in devices
In order to ensure a secure data transmission, the compatible components offer a large 360˚ braid connection that results in excellent EMC properties. The covers that are permanently attached to the casings prevent water, dust, dirt and other contaminants from entering the RJ45 jack when unmated. Usable in connection with IP67 or standard RJ45 patch cords in different lenghts.
1. Surface-mount data outlet IP67 with 1 module MS-C6A 1/8 shielded
2. Coupling socket IP67 with 1 module MS-C6A 1/8 shielded
3. Mounting flange IP67 with 1 module MS-C6A 1/8 shielded - for installation in devices
In order to ensure a secure data transmission, the compatible components offer a large 360˚ braid connection that results in excellent EMC properties. The covers that are permanently attached to the casings prevent water, dust, dirt and other contaminants from entering the RJ45 jack when unmated. Usable in connection with IP67 or standard RJ45 patch cords in different lenghts.
| Structured premises cablings in the industrial sector - components with protection rating IP67 in accordance with EN 50173-2 (draft) and environment classes M3, I3, C3, and E3. These articles should not be used outdoors because of the risk of condensation. |